Don Thompson and Michael Ferraro started S-Helper Service to offer investment money to existing S-scale manufacturers to be able to generate some new products. Their first and only investment/collaboration was with American Models. This started in 1989 and ran until 1995, when S-Helper Service decided to enter the market themselves directly. Under the collaboration with American Models, they produced the Alco FA-2/FB-2, RS-3, and PA engines, the EMD GP35, the GG1, and the 4-6-2 engines, and the heavyweight passenger cars. Some of these models are still being manufactured by American Models, today.
Don recalls that they were responsible for picking roadnames, the artwork, the marketing and advertising, and the taking of orders and deposits. As their discount was the exact same as hobby shops, their advantage was a few exclusives in the first run.
Scale Coupler Installation Guide
When mounting coupler screws onto Zamac metal bodies, Don Thompson strongly recommends using the provided machine screws and not use self-tapping screws. Self-tapping screws can break easily and they would be a real bear to remove.
Don Thompson recalls that the Chinese factory used automotive paints on their freight cars. All plastic bodies were made out of ABS.
Brian Jackson reports that he has had success removing paint from a composite hopper using 91% isopropyl alcohol (IPA). He reported that he started seeing results in a few minutes, and large amounts of paint came off after about 30 minutes of soaking.
Jim Kindraka adds to Brian's report by saying that he'll put a paper towel soaked in IPA over a car's side (so as to reduce the amount of alcohol needed), and just keeps it moist for several hours. After that, he uses a toothbrush to remove the more stubborn areas.
Don Thompson provided the schematic drawing of the AC reverse unit: Schematic Drawing (PDF).
The rest of this topic covers the eight-pin DC shorting plugs. Don Thompson reports that there were two kinds. They will both work, but one will cause the engine so run in the opposite direction.
For some reason, the factory, on three road names of the first run of the SW9 locomotives, wired the motors to the wrong socket. The fix was a DC shorting plugs with the motor lead pins wired correctly. These plugs have a glob of hot-melt on top. You can see red wires in the hot-melt.
It happened again with an entire run of the SW1 locomotives. The factory, again, sent DC shorting plugs to fix this problem. For this run they used "baby-blue" wires.
Note that AC and DCC locomotives were unaffected.
This first photo shows the normal DC shorting plug for engines without a speaker (part #653-X00???).

The second photo shows the version with the red wires for engines without a speaker.

The third photo shows a normal DC shorting plug for engines with a speaker (part #653-X014R4).

Matt Hogan provided these improved photos of the shorting plug he acquired.



Don Thompson mentioned that all of their wheelsets were double insulated. This includes locomotives, freight cars, cabooses, and tenders.
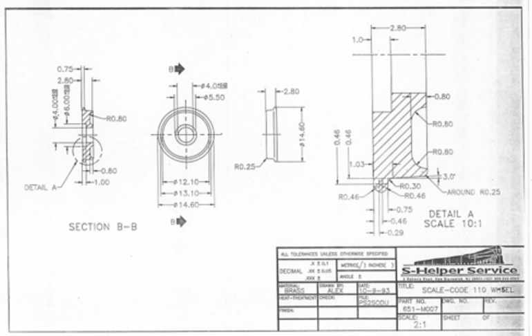
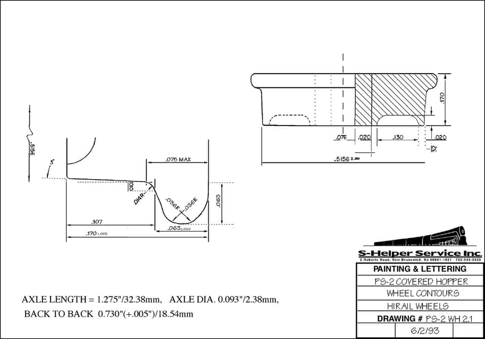
Don provided these diagrams (all measurements in millimeters):
Mike Fyten reports that he finds the NorthWest ShortLine medium spring drivers, part #1402-4 to be a good replacement spring for the S-Helper Service trucks.
For any of the box cars, stock cars, or reefers that S-Helper Service produced, there are four tabs on the roof over the body bolster that hold the roof to the body. Note that before you attempt to remove the roof, the roof walk supports need to be detached from the roof walk. Cars with the brake wheel above the roof, need the rod lodging it to the underframe detached first.
From time to time the topic of how to remove decals from S-Helper Service's cars. Robert Carter shows how he uses a dry eraser pen to remove the decals on his YouTube channel.
Model Railroader Video Plus has a Bob's Train Box video (episode 74, starting at the 5:55 mark) reviewing several S-Helper Service and other products.
Don Thompson provided us with these production numbers and approved their publication on the NASG web site. Note that these numbers include the special-runs that they produced.
=================
Total: 174,850 individual models produced.
=================
=================
Total: 9,409 individual models produced.
=================
=================
Total: 18,121 individual models produced.
=================
At the time of S-Helper Service's unexpected shut-down due to the Sanda Kan situation, they had under development: